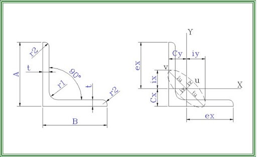
Thép Hình V
Thép V hay còn gọi là thép góc có diện mặt cắt hình chữ V. Thép được chia làm 2 loại chính là thép góc thường và thép góc mạ kẽm nhúng nóng. Sản phẩm thép mạ kẽm nhúng nóng có khả năng chống lại sự tác động của nước biển và một số loại axit khác tốt hơn thép góc thường.
SẢN PHẨM KHÁC











