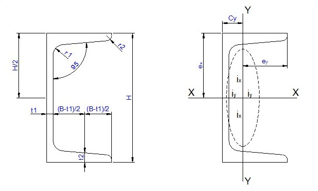
Thép Hình U
Thép hình U là một loại thép kết cấu với đặc trưng mặt cắt của nó theo chiều ngang giống hình chữ C hoặc chữ U, với phần lưng thẳng được gọi là thân và 2 phần kéo dài được gọi là cánh ở trên và dưới.
SẢN PHẨM KHÁC











